| 有效期至长期有效 | 最后更新2022-08-22 18:12 |
| 浏览次数3 |
OEG制动器
OEG制动器
制动力矩从 18 到 300 Nm
具有高制动功的机器
制动力矩从 18 到 300 Nm
来自半波电流整流器的正常输入电压 103 V DC 和 178 V DC
可根据要求提供从 12 V DC 到 300 V DC 的所有电压
最小轴向尺寸
可与 MLCC 制动器互换
无需驻车制动的电源制动
自动机器
公路护栏

具有高制动功的机器
与直流 MLCC 系列制动器完全兼容和互换
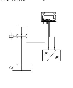
最大供电电压 440VAC
最大持续电流: 1A
最高环境温度:75°C
通过端子交流输入、连续输出、快速制动触点和滤波器上的压敏电阻进行保护,以符合 EMC 指令 2004/104 / EC。
电压比U eff = 0.445 U ~
| 李培阳工程师 QQ:2014397249 手机:18511408566 电话:010-64714988-172 传真:010-84786709-667 邮件:sales67@handelsen.cn |
![]() |
![]() |
客服热线:






